Home » LOW FLOW RANGE - Line Regulator - Face Seal Type

LOW FLOW RANGE - Line Regulator - Face Seal Type

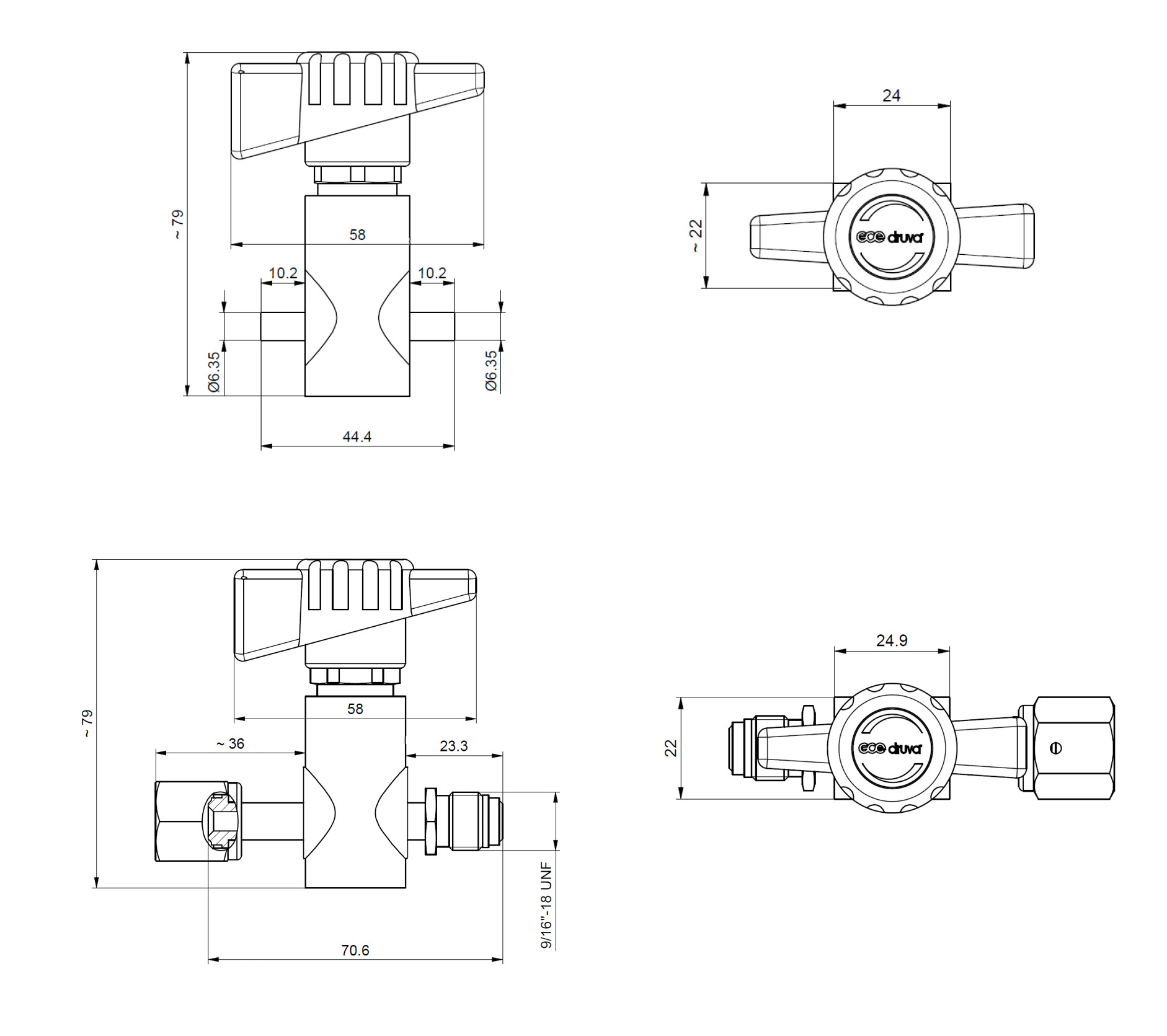
VSLDSMAR - DRUVA ® PUR SHUT-OFF VALVE

VALVE | PURE LINE (STAINLESS STEEL) | 20m3 SERIES |

DIAPHRAGM SHUT-OFF VALVE | MANUAL ACTUATION |

2-PORT VERSION | INLET/ OUTLET TUBE STUB

2-port metal diaphragm shut-off valve is used in supply systems for for pure, inert, flammable, oxidizing gases and gas mixtures.

This stainless steel version valve is also usable for corrosive and toxic gases and gas mixtures. Maximum gas purity is 6.0.

SPECIAL FEATURES

  • Lever valve, 1/4 turn
  • Metallic sealing system to atmosphere
  • Compact design
  • Designed and approved in accordance with relevant sections of ISO 10297:2015
  • Cleaning, assembly and vacuum packaging in clean room type ISO 7 according ISO 14 644-1
  • Connections compatible with VCR® and Swagelok® products

Swagelok® and VCR® are trademarks of Swagelok Company.  The trademarks and products of Swagelok Company are not affiliated or associated with GCE.

TECHNICAL DATA

Working temperature: -20 °C to +60 °C
Inlet / outlet ports: Tube Stub 6 mm and ¼” face seal
Max. working pressure: 3,000 psig (207 Bar)
Weight: 0,2 kg
Cv-value: 0,25
Material of valve body: Stainless Steel (1.4404)
Material of valve diaphragm: 2x Elgiloy
Material of bonnet: Brass Chrome Plated

Technical datasheet

DATA-LOW FLOW RANGE - FACE SEAL TYPE-EN

Technical Drawings Top

Download Technical Drawings

Downloads Top

Additional Downloads for this Product

Acrobat Logo IFU-VXLDSM.pdf